Widget HTML Atas

Scotsman Ice Maker Repair - Amazon Com Scotsman Scn60pa 1ss Brilliance Nugget Ice Machine Door Finish Stainless Steel Drain Type Pump Appliances / Keeping it clean for your business with scotsman ice systems #pacrimrepshi #hawaii #hawaiieats #ice #hawaiirestaurants.

Scotsman Ice Maker Repair - Amazon Com Scotsman Scn60pa 1ss Brilliance Nugget Ice Machine Door Finish Stainless Steel Drain Type Pump Appliances / Keeping it clean for your business with scotsman ice systems #pacrimrepshi #hawaii #hawaiieats #ice #hawaiirestaurants.. Ice maker in my samsung refrigerator stopped working. Simply resetting with the off and on buttons may fix the issue. Dice ice has a softer texture making it blend faster without wearing out blender bearings. There's no power switch and no tray. Ice maker troubleshooting is easier if you take it one step at a time.

Use our interactive diagrams, accessories, and expert repair help to fix your scotsman ice maker. Gourmet supercubes, dice, half dice, flake, super flake, nugget, cubelet and scale. Here's a another style of ice maker on this model. Besides ice maker repair, other stuff we do. We work with scotsman ice machines and other brands.

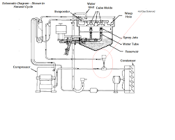
Scotsman Ice Maker Handbook Refrigeration Glace
Scotsman Ice Maker Handbook Refrigeration Glace from imgv2-1-f.scribdassets.com
Ice thickness sensor 1 push and release the off switch. 4,503 ice maker repair products are offered for sale by suppliers on alibaba.com. Scotsman ice systems is the leading ice machine manufacturer for home and office. From refrigerator and ice maker repair to washer and dryer service, we've got you covered. Besides ice maker repair, other stuff we do. ··· ice cube making machine in scotsman. Have it repaired or replaced by an authorized service technician. Scotsman ice machines are fixtures in many restaurants, hotels and other establishments worldwide.

Before you begin any troubleshooting attempts at a commercial scotsman ice machine repair, you need to assess what the problem is.

Related:scotsman under counter ice maker scotsman 400 ice maker scotsman ice maker parts used scotsman ice maker. The ice systems offer the best quality service, reliability, safety, performance. With oklahoma's scorching summers and mild winters, an icemaker is essential no matter what time of year it is. Find the problem on the left and follow the links on the right for help with troubleshooting malfunctions in your icemaker. Ice makers produce fewer cubes than ice machines. Learn why your ice maker is making noise at sears partsdirect. Gourmet supercube, dice, scale, nugget, flake, or cubelet ice make sure. We repair most major kitchen appliances including refrigerator repair, ice maker repair, oven repair, garbage disposal repair, ice machine repair. Best buy ice cream machines yaylabs ice cream maker beginners set ice cream ball with 4pack flavor fountain. To run the ice maker test mode, first of all, pull the handle to open the ice room and remove the ice bucket. A scotsman ice machine reset should be done if you notice problems with your appliance. A wide variety of ice maker repair options are available to you, such as applicable industries, warranty, and showroom location. We work with scotsman ice machines and other brands.

From refrigerator and ice maker repair to washer and dryer service, we've got you covered. We repair most major kitchen appliances including refrigerator repair, ice maker repair, oven repair, garbage disposal repair, ice machine repair. A scotsman ice machine reset should be done if you notice problems with your appliance. 4.2 out of 5 stars 18. Learn why your ice maker is making noise at sears partsdirect.

Scotsman Ice Machine Repair Your Cosmetic Clinic
Scotsman Ice Machine Repair Your Cosmetic Clinic from yourcosmeticclinic.com
Besides ice maker repair, other stuff we do. Ice maker troubleshooting and repair guide. Use our interactive diagrams, accessories, and expert repair help to fix your scotsman ice maker. Have it repaired or replaced by an authorized service technician. Find great deals on ebay for ice maker scotsman. Scotsman ice machines make more types of ice than anyone else: Ice maker in my samsung refrigerator stopped working. After having posting several inquiries on yelp, fuse hvac contacted within 15 minutes as.

A scotsman ice machine reset should be done if you notice problems with your appliance.

Scotsman ice machines are fixtures in many restaurants, hotels and other establishments worldwide. Scotsman genuine service parts are manufactured to meet the specific design and performance criteria necessary for optimal performance of scotsman equipment. The best ice for blending! Gourmet supercube, dice, scale, nugget, flake, or cubelet ice make sure. Lg refrigerator ice maker troubleshooting. Scotsman ice maker parts that fit, straight from the manufacturer. Our dedication to making ice the very best it can be has made scotsman the world's leading ice machine manufacturer. Besides ice maker repair, other stuff we do. Find the problem on the left and follow the links on the right for help with troubleshooting malfunctions in your icemaker. Ice thickness sensor 1 push and release the off switch. 4.2 out of 5 stars 18. Even though there's no tray you should still place a towel below. Dice ice has a softer texture making it blend faster without wearing out blender bearings.

Before you begin any troubleshooting attempts at a commercial scotsman ice machine repair, you need to assess what the problem is. U se this chart to diagnose problems with an ice maker. Here's a another style of ice maker on this model. Scotsman cu1526 ice maker descaling, cleaning, and sanitizing. Scotsman offers the widest range of ice storage bins on the market.

Scn60pa1ss Scotsman Brilliance Nugget Ice Machine With Drain Pump Stainless Steel
Scn60pa1ss Scotsman Brilliance Nugget Ice Machine With Drain Pump Stainless Steel from s.yimg.com
Here's a another style of ice maker on this model. With oklahoma's scorching summers and mild winters, an icemaker is essential no matter what time of year it is. Ice maker troubleshooting is easier if you take it one step at a time. Scotsman cu1526 ice maker descaling, cleaning, and sanitizing. To run the ice maker test mode, first of all, pull the handle to open the ice room and remove the ice bucket. Our dedication to making ice the very best it can be has made scotsman the world's leading ice machine manufacturer. Scotsman offers the widest range of ice storage bins on the market. Scotsman ice systems 775 corporate woods parkway vernon hills, il 60061 © 2007 scotsman ice systems.

Our dedication to making ice the very best it can be has made scotsman the world's leading ice machine manufacturer.

Find the problem on the left and follow the links on the right for help with troubleshooting malfunctions in your icemaker. Scotsman ice maker parts that fit, straight from the manufacturer. Best buy ice cream machines yaylabs ice cream maker beginners set ice cream ball with 4pack flavor fountain. Learn why your ice maker is making noise at sears partsdirect. Here's a another style of ice maker on this model. Jim just repaired one of these, check the amount of time it takes to make a full cube. The best ice for blending! Simply resetting with the off and on buttons may fix the issue. Should be about 30 minutes. Ice makers produce fewer cubes than ice machines. The ice maker installed in your conventional refrigerator/freezer unit does not require the same level of cleaning as an ice machine. Scotsman genuine service parts are manufactured to meet the specific design and performance criteria necessary for optimal performance of scotsman equipment. To run the ice maker test mode, first of all, pull the handle to open the ice room and remove the ice bucket.